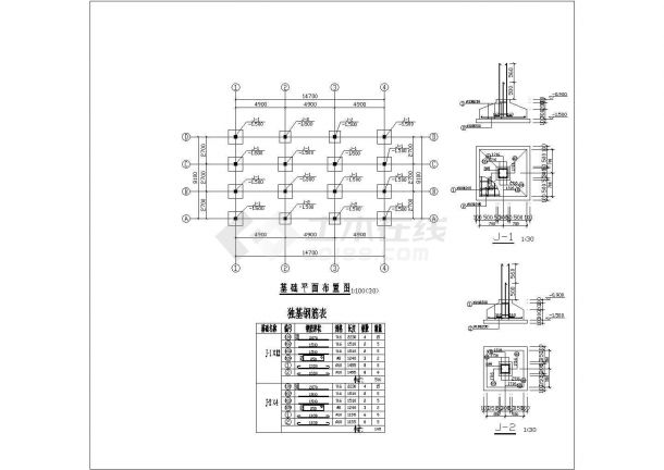
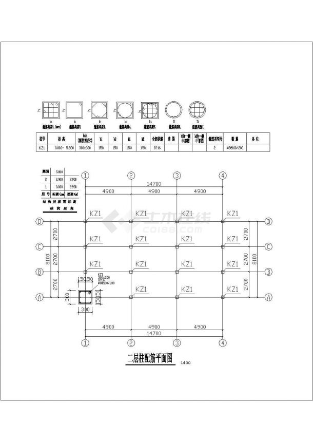
貴陽市某現代化村鎮2層鋼混框架民居樓結構設計CAD圖紙
本資料為貴陽市某現代化村鎮2層鋼混框架民居樓結構設計CAD圖紙 ,其中包含:各層板配筋圖,各層柱配筋平面圖和基礎平面圖等,可供設計師采納參考!

貴陽市某現代化村鎮2層鋼混框架民居樓結構設計CAD圖紙-圖一

貴陽市某現代化村鎮2層鋼混框架民居樓結構設計CAD圖紙-圖二

貴陽市某現代化村鎮2層鋼混框架民居樓結構設計CAD圖紙-圖三
本資料為貴陽市某現代化村鎮2層鋼混框架民居樓結構設計CAD圖紙 ,其中包含:各層板配筋圖,各層柱配筋平面圖和基礎平面圖等,可供設計師采納參考!
貴陽市某現代化村鎮2層鋼混框架民居樓結構設計CAD圖紙-圖一
貴陽市某現代化村鎮2層鋼混框架民居樓結構設計CAD圖紙-圖二
貴陽市某現代化村鎮2層鋼混框架民居樓結構設計CAD圖紙-圖三